常见的照明控制原理图
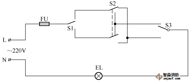
用三个开关控制一盏灯电路

将两个功率相同的110V白炽灯接在220V电源上使用的电路

低压小灯泡在220V电源上使用的电路

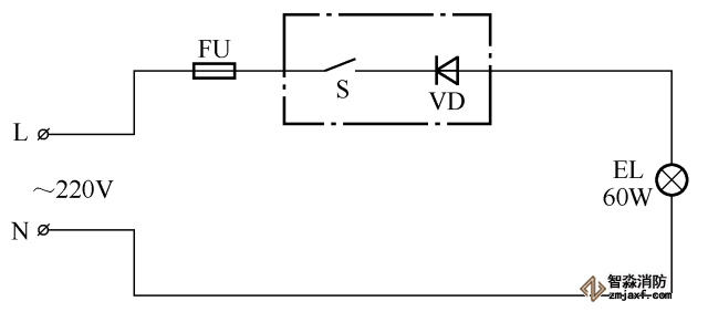
用二极管延长白炽灯寿命的电路

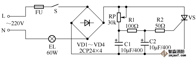
简单的晶闸管调光灯电路

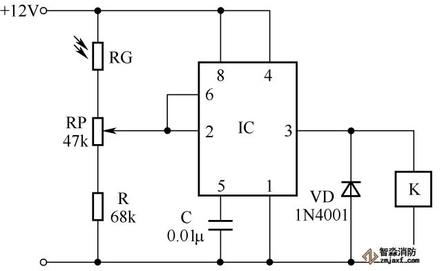
用555集成电路组成的光控等电路

无极调光台灯电路

路灯光电控制电路

照明灯自动延时关灯电路

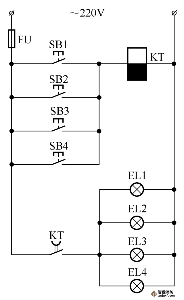
楼房走廊照明灯自动延时关灯电路

人体感应延时灯光控制电路

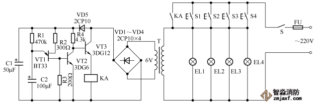
晶闸管自动延时照明开关电路

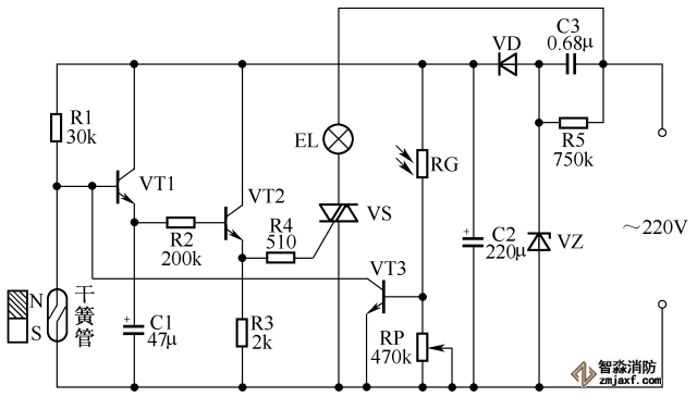
门控自动灯电路

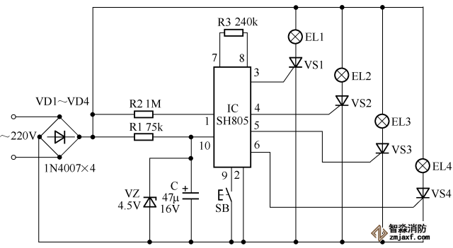
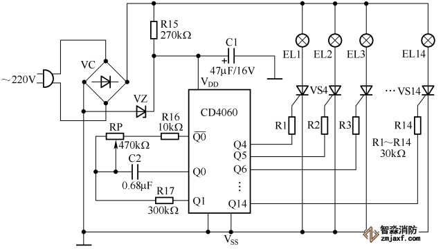
广告创意16功能彩灯控制电路

简易光控路障灯电路

自动调光灯电路

节日彩灯——满天星霓虹灯电路

鸟鸣彩灯串电路

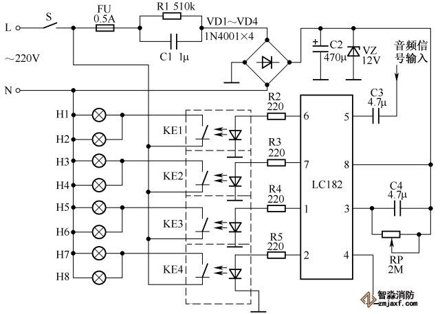
声控音乐彩灯电路

简易流动闪光灯电路

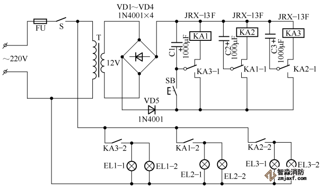
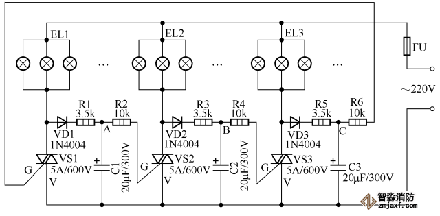
大功率“流水式”广告彩灯控制电路

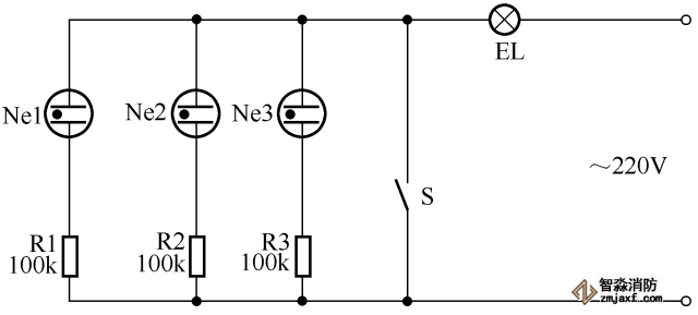
氖泡微光灯电路

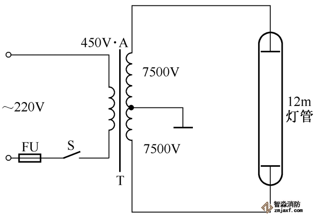
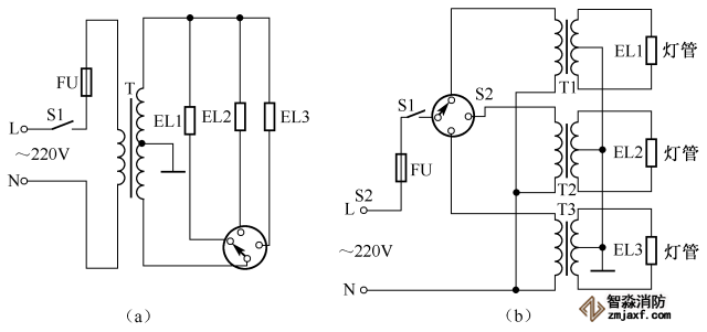
霓虹灯供电电路

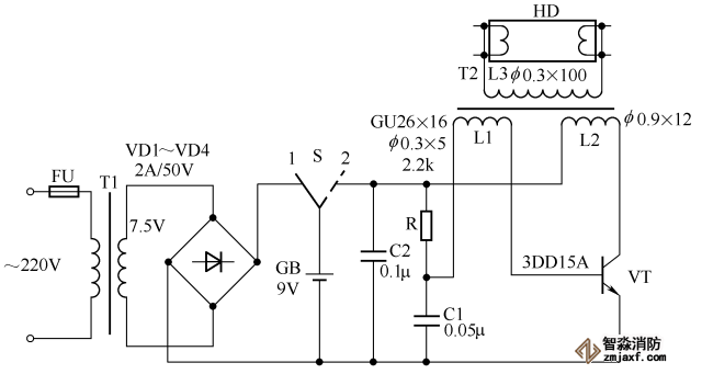
霓虹灯闪光电路

应急照明灯电路

微光调光定时有线遥控器电路

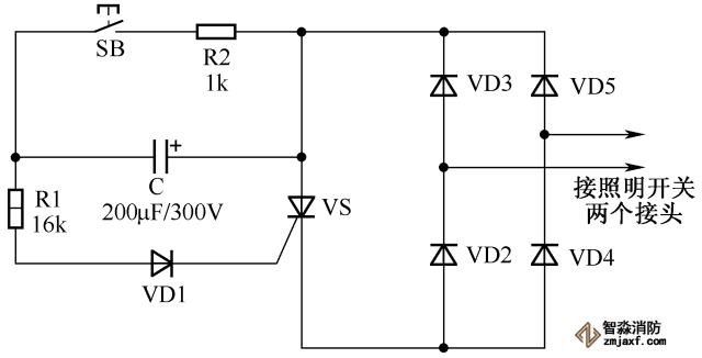
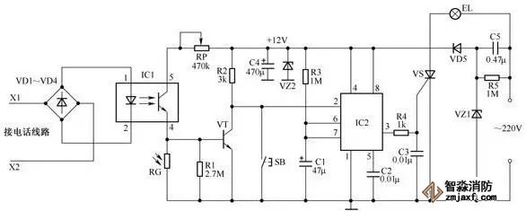
电话自控照明灯电路

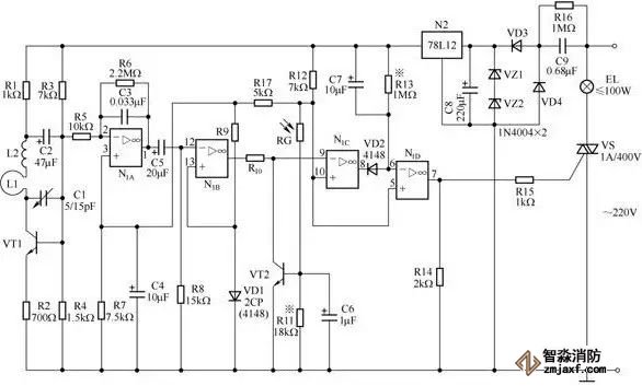
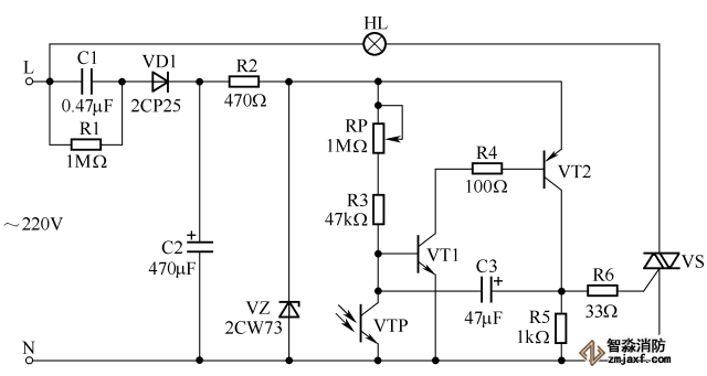
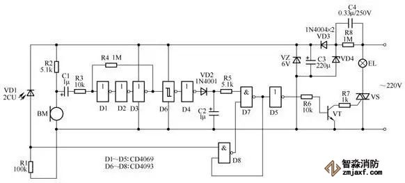
声光控自动照明灯电路

江苏苏州智淼乐鱼在线(中国)安装工程公司主营:北京乐鱼在线(中国)施工安装,乐鱼在线(中国)工程设计,乐鱼在线(中国)维修改造,乐鱼在线(中国)设备检测,乐鱼在线(中国)验收代办,乐鱼在线(中国)维修保养,探测器清洗,乐鱼在线(中国)检测设备,智慧乐鱼在线(中国)物联网,乐鱼在线(中国)设备销售安装及调试为一体的正规化乐鱼在线(中国)企业。乐鱼在线(中国)改造网址:/;服务热线:4006-598-119








苏公网安备32058102002151号