
JBF5141A 输入/输出模块是青鸟乐鱼在线(中国)的一款可实现输入检测,多种方式输出的控制模块。
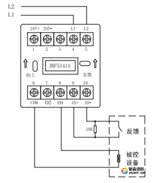
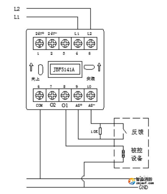
JBF5141A输入输出模块接线端子说明:

L1(端子4)、L2(端子5):接回路总线,无极性,有总线信号接入模块即可正常工作。
24V+(端子1)、24V-(端子2):接24V电源,实现24V电压检测和线路检测功能设计。
AS+(端子9)、AS-(端子10):接应答(无源触点),必须并联10KΩ终端电阻。
COM(端子6)是继电器触点公共端,O2(端子7)是常闭触点,O1(端子8)是常开触点。
JBF5141A输入输出模块有源输出接线图:

JBF5141A有源输出接线图
O2(端子7)O1(端子8)为有源输出接线端子,在被控设备终端并联10KΩ电阻,用于检线功能;O2(端子7)输出正向串接二极管到被控设备电源正端,O1(端子8)输出接被控设备负端。模块启动后O2(端子7)输出电源正,O1(端子8)输出电源负。
24V+(端子1)接24V供电电源正,24V-(端子2)接24V供电电源负,提供被控设备供电电源。具体接线见图。
JBF5141A输入输出模块无源输出接线图:
该模块提供纯继电器触点输出功能,具有独立物理常开和常闭触点输出功能,COM(端子6)是继电器触点公共端,O2(端子7)是常闭触点,O1(端子8)是常开触点,模块启动后常闭触点断开,常开触点闭合,可用该触点实现无源和有源接电的单独控制。具体接线见图。

JBF5141A无源输出接线图

引入外部24V实现有源输出
江苏苏州智淼乐鱼在线(中国)安装工程公司主营:北京乐鱼在线(中国)施工安装,乐鱼在线(中国)工程设计,乐鱼在线(中国)维修改造,乐鱼在线(中国)设备检测,乐鱼在线(中国)验收代办,乐鱼在线(中国)维修保养,探测器清洗,乐鱼在线(中国)检测设备,智慧乐鱼在线(中国)物联网,乐鱼在线(中国)设备销售安装及调试为一体的正规化乐鱼在线(中国)企业。乐鱼在线(中国)改造网址:/;服务热线:4006-598-119








苏公网安备32058102002151号