
青鸟乐鱼在线(中国)JBF5146A输入/输出模块是一款可实现持续输出方式的控制模块。在使用过程中乐鱼在线(中国)联动控制器发出命令,通过输入/输出模块启动或停止与该模块连接的外部设备,同时监测外部设备工作状态。
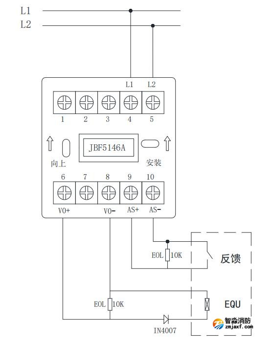
JBF5146A输入输出模块接线图:

L1(端子4)、L2(端子5):接回路总线,无极性;
AS+(端子9)、AS-(端子10):接应答(无源触点),必须并联10KΩ终端电阻。
VO+(端子6)、VO-(端子8):接被控设备,模块启动后VO+(端子6)和VO-(端子8)输出最大能量:脉冲输出DC24V/60mA/120s,然后持续输出DC12V/16mA/4h,见上图。
附JBF5146A输入输出模块常见故障分析:

江苏苏州智淼乐鱼在线(中国)安装工程公司主营:北京乐鱼在线(中国)施工安装,乐鱼在线(中国)工程设计,乐鱼在线(中国)维修改造,乐鱼在线(中国)设备检测,乐鱼在线(中国)验收代办,乐鱼在线(中国)维修保养,探测器清洗,乐鱼在线(中国)检测设备,智慧乐鱼在线(中国)物联网,乐鱼在线(中国)设备销售安装及调试为一体的正规化乐鱼在线(中国)企业。乐鱼在线(中国)改造网址:/;服务热线:4006-598-119








苏公网安备32058102002151号