
JBF5142C输入/输出模块是青鸟乐鱼在线(中国)股份有限公司开发的可实现脉冲输出、持续输出两种输出方式的控制模块。
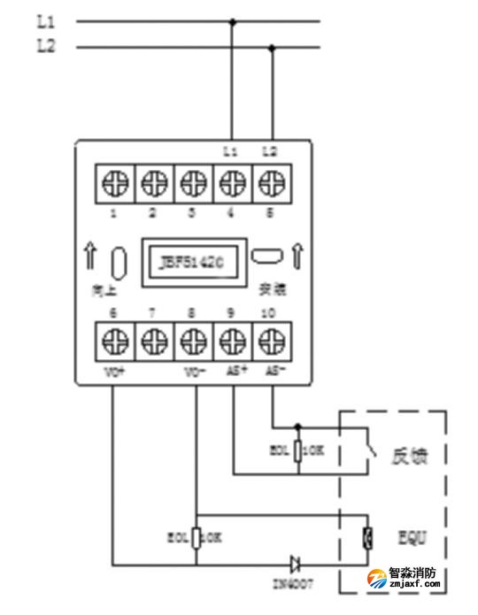
JBF5142C输入/输出模块接线图:

L1(端子4)、L2(端子5):接回路总线,无极性。
AS+(端子9)、AS-(端子10):接应答(无源触点)。必须并联10KΩ终端电阻。
VO+(端子6)、VO-(端子8):接被控设备(脉动触点)。模块启动后VO+(端子6)和VO-(端子8)可以脉冲输出或持续输出。见下图。

注:①脉冲输出:模块设备只提供DC30V/1.5A/100ms脉冲,不提供持续电压。
②持续输出:脉冲输出后还可持续输出维持DC24V继电器工作所需电流。
江苏苏州智淼乐鱼在线(中国)安装工程公司主营:北京乐鱼在线(中国)施工安装,乐鱼在线(中国)工程设计,乐鱼在线(中国)维修改造,乐鱼在线(中国)设备检测,乐鱼在线(中国)验收代办,乐鱼在线(中国)维修保养,探测器清洗,乐鱼在线(中国)检测设备,智慧乐鱼在线(中国)物联网,乐鱼在线(中国)设备销售安装及调试为一体的正规化乐鱼在线(中国)企业。乐鱼在线(中国)改造网址:/;服务热线:4006-598-119








苏公网安备32058102002151号