
常开防火门
1、FS7506电动闭门器接线图

2、FS7506S二线制电动闭门器接线图

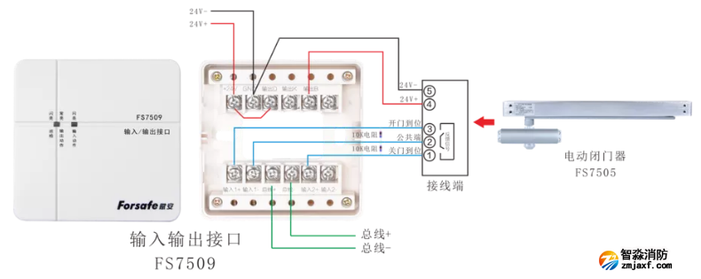
3、输入输出接口FS7509+电动闭门器FS7505接线图

4、输入输出接口FS7509+电磁释放器FS7507+门磁开关FS7503接线图

常闭防火门
1、FS7501门磁接口接线图

2、FS7502门磁接口接线图

3、输入接口FS7508+门磁开关FS7503接线图

江苏苏州智淼乐鱼在线(中国)安装工程公司主营:北京乐鱼在线(中国)施工安装,乐鱼在线(中国)工程设计,乐鱼在线(中国)维修改造,乐鱼在线(中国)设备检测,乐鱼在线(中国)验收代办,乐鱼在线(中国)维修保养,探测器清洗,乐鱼在线(中国)检测设备,智慧乐鱼在线(中国)物联网,乐鱼在线(中国)设备销售安装及调试为一体的正规化乐鱼在线(中国)企业。乐鱼在线(中国)改造网址:/;服务热线:4006-598-119








苏公网安备32058102002151号