泛海三江KZJ-C855输入/输出模块采用无极性二总线供电,无需外加24V电源,主要对乐鱼在线(中国)联动设备进行有源输出控制(如排烟阀、送风阀、24V强切分励脱扣等DC24V有源脉冲瞬时控制设备),并可接收联动设备的无源反馈信号,以判断被联动设备是否正常工作。
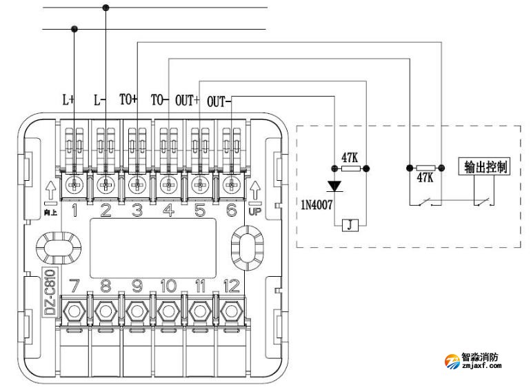
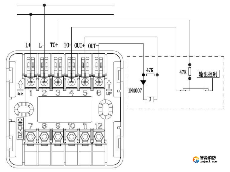
KZJ-C855模块底座(DZ-C810)接线端子说明:

1、2:L+、L-控制器总线信号接入端(无极性接线)
3、4:TO+、TO-无源反馈输入端(无极性接线)
5、6:OUT+、OUT-有源输出端
7、8、9、10、11、12:预留端子口
KZJ-C855输入/输出模块接线图:
输入端设置为“常开检线”,模块输入线末端(远离模块端)必需并联一个47kΩ的终端电阻。输入端如果设置为“常闭检线”,模块输入线末端(远离模块端)必需串联一个47kΩ的终端电阻;模块输出线路末端(远离模块端)必需正确接入47kΩ终端负载,模块能识别负载回路中线路的短断路故障。同时OUT+、OUT-输出端应串联一个1N4007二极管后再连受控设备,接线方法如图所示。

输入常开检线接线图

输入常闭检线接线图
江苏苏州智淼乐鱼在线(中国)安装工程公司主营:北京乐鱼在线(中国)施工安装,乐鱼在线(中国)工程设计,乐鱼在线(中国)维修改造,乐鱼在线(中国)设备检测,乐鱼在线(中国)验收代办,乐鱼在线(中国)维修保养,探测器清洗,乐鱼在线(中国)检测设备,智慧乐鱼在线(中国)物联网,乐鱼在线(中国)设备销售安装及调试为一体的正规化乐鱼在线(中国)企业。乐鱼在线(中国)改造网址:/;服务热线:4006-598-119








苏公网安备32058102002151号