乐鱼在线(中国)给水系统稳压泵设计取值范例
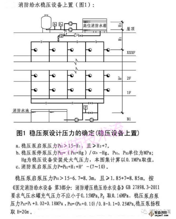
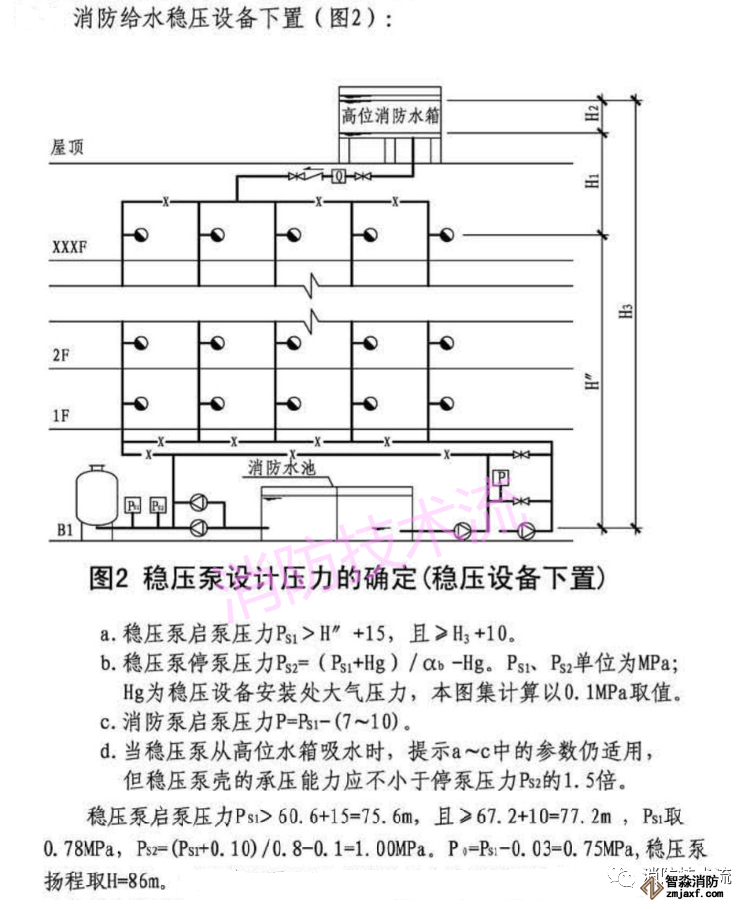
某一类高层公共建筑,建筑体积大于50000m3,建筑高度61.8m,室外消火栓系统设计水量40L/s,室内消火栓系统设计水量40L/s。高位乐鱼在线(中国)水箱有效水深H2=1.85m。稳压设备设置采用上置式和下置式两个方案。上置式稳压设备处压力开关到最不利消火栓栓口净高H1=6.7m,最高有效水位到下置式稳压设备处压力开关净高H3=67.2m,最不利消火栓栓口到乐鱼在线(中国)水泵处压力开关净高H'=58.6m,最不利消火栓栓口到下置式稳压设备处压力开关净高H" =60.6m,无管网泄漏量数据。
因管网泄露量数据不详,稳压泵设计流量宜按乐鱼在线(中国)给水设计流量的1%~3%计,且不宜小于1L/s。室内消火栓系统稳压泵设计流量取1L/s。考虑室外管网埋地敷设,不确定性因素较多,室外消火栓系统稳压泵设计流量取1.5L/s。
方案一:稳压设备上置

方案一:稳压设备下置

室外临时高压消火栓系统乐鱼在线(中国)给水稳压设备根据《乐鱼在线(中国)给水及消火栓系统技术规范》50974-2014第7.2.8条,为保证最不利消火栓的供水压力从地面算起不小于0.1MPa,稳压泵启泵压力应保证最不利消火栓栓口处的静压不小于0.17MPa,考虑乐鱼在线(中国)车高度及吸水管水头损失,室外乐鱼在线(中国)水池最低有效水位距室外地面高差5.0m,则PS1>0.17+0.05=0.22MPa,气压水罐充气压力取Po=0.24MPa,求PS1=0.27MPa,PS2=0.36MPa,稳压泵扬程取H= 30m。
江苏苏州智淼乐鱼在线(中国)安装工程公司主营:北京乐鱼在线(中国)施工安装,乐鱼在线(中国)工程设计,乐鱼在线(中国)维修改造,乐鱼在线(中国)设备检测,乐鱼在线(中国)验收代办,乐鱼在线(中国)维修保养,探测器清洗,乐鱼在线(中国)检测设备,智慧乐鱼在线(中国)物联网,乐鱼在线(中国)设备销售安装及调试为一体的正规化乐鱼在线(中国)企业。乐鱼在线(中国)改造网址:/;服务热线:4006-598-119








苏公网安备32058102002151号